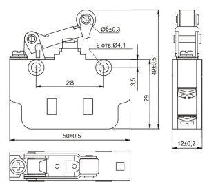
Количество сегментов: 1
Количество полюсов: 2 в каждом сегменте
Контактная группа: 1НО + 1НЗ в каждом сегменте
Тип переключающего устройства: мгновенное действие
Тип привода: рычаг с роликом
Номинальное напряжение: 380В АС / 250В DС
Номинальный ток: 8А / 5А
Контактная группа: 1НО + 1НЗ в каждом сегменте
Тип переключающего устройства: мгновенное действие
Тип привода: рычаг с роликом
Номинальное напряжение: 380В АС / 250В DС
Номинальный ток: 8А / 5А
Дугогасительные магниты: да
Коммутационная износостойкость: 10х106 циклов ВО
Материал корпуса: пластик
Способ подключения: винтами
Способ подключения: винтами
Тип крепления выключателя: базовый (возможно исполнение с креплением на панель)
Степень защиты: IP00
Рабочая температура: от -40°С до +85°С
Климатическое исполнение: УХЛ3







